
|
名称
|
阀体
接管
|
阀杆
|
调节阀球
|
阀座
|
补偿
弹簧
|
密封圈
|
涡轮
|
手柄
|
|
材质
|
20#
|
不锈钢
20Cr13
|
不锈钢304
|
特氟龙 PTFE+C
|
不锈钢
|
氟橡胶
|
QT450
|
20#
|
|
FPM
|
|
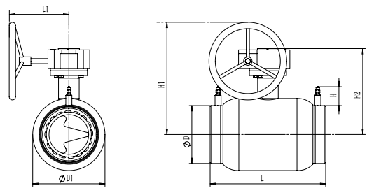
规格
|
安装尺寸(mm)
|
全开
流量系数KVmax
|
全开
阻力系数
ξmax
|
|||||
|
D
|
D1
|
L
|
L1
|
H1
|
H2
|
|||
|
DN32
|
42
|
57
|
260
|
*
|
107
|
*
|
28.2
|
2.37
|
|
DN40
|
48
|
76
|
300
|
*
|
123
|
*
|
37.5
|
2.91
|
|
DN50
|
57
|
89
|
300
|
*
|
128
|
*
|
61.4
|
2.65
|
|
DN65
|
76
|
114
|
300
|
*
|
158
|
*
|
85.0
|
3.95
|
|
DN80
|
89
|
140
|
305
|
*
|
172
|
*
|
97.0
|
6.96
|
|
DN100
|
108
|
159
|
325
|
*
|
182
|
*
|
170.0
|
5.53
|
|
DN125
|
133
|
180
|
320
|
*
|
247
|
*
|
268.0
|
5.43
|
|
DN150
|
159
|
219
|
350
|
*
|
266
|
*
|
303.0
|
8.82
|
|
DN200
|
219
|
273
|
435
|
235
|
456
|
336
|
595.0
|
7.23
|
|
DN250
|
273
|
351
|
560
|
280
|
535
|
375
|
890.0
|
7.88
|
|
DN300
|
325
|
450
|
665
|
300
|
635
|
425
|
1374.0
|
6.86
|

津公网安备13098102000389 号
